Прямые поставки недоступных в РФ брендов из Китая и Европы. Заявки оставляйте на почту info@cnc360.ru  
0
0

R88M-K90010C-S2/BS2 (900 Вт, 1000 об/мин, 400 В)

R88M-K90010С-S2/BS2 - стандартный сервомотор, 8,59 Н·м, 900 Вт, 1000 об/мин, 400 В, 17-разр. абсолютный энкодер, прямой вал со шпонкой и резьбой, без тормоза / с тормозом.

R88M-K90010C-S2/BS2 (900 Вт, 1000 об/мин, 400 В)
0 5 5 1
Под заказ
(1)

Артикул R88M-K90010

R88M-K90010С-S2/BS2 - стандартный сервомотор, 8,59 Н·м, 900 Вт, 1000 об/мин, 400 В, 17-разр. абсолютный энкодер, прямой вал со шпонкой и резьбой, без тормоза / с тормозом.

Характеристики:
для точного управления движением
Производитель: OMRON

Серводвигатели Accurax G5 обеспечивают защиту по стандарту IP67. Благодаря использованию 10-полюсных двигателей и 20-битного энкодера обеспечивается снижение пульсации крутящего момента на 40 %. Благодаря конструкции статора PACK & CLAMP серводвигатели Accurax G5 стали легче и компактнее. Кроме того, сокращены потери в сердечнике двигателя и уменьшен размер энкодера.

Особенности:

  • модели со стандартным и повышенным моментом инерции ротора;
  • пиковый момент — 300% номинального в течение 3 секунд и более в зависимости от модели;
  • высокая точность благодаря 20-разрядному энкодеру, есть исполнение с абсолютным энкодером;
  • низкая погрешность скорости и момента благодаря низкой пульсации крутящего момента;
  • степень защиты IP67 во всех моделях;
  • класс изоляции F (В для некоторых моделей);
  • сверхмалый вес и компактный размер двигателя;
  • различные исполнения, отличающиеся конструкцией вала, наличием тормоза и уплотнения;
  • полностью закрытый корпус, естественное охлаждение.

Структура условного обозначения сервомоторов

*Необходимые параметры укажите в комментарии к заказу.

Параметры K90010 K2K010 K3K010 K4K510 K6K010
Номинальная мощность на валу, Вт 900 2000 3000 4500 6000
Номинальный крутящий момент, Н·м 8,59 19,1 28,7 43,0 57,3
Кратковременный пиковый момент, Н·м 19,3 47,7 71,7 107,0 143,0
Номинальный ток, А 3,8 8,5 11,3 14,8 19,4
Кратковременный максимальный ток, А 12 30 40 55 74
Максимальная скорость, об/мин 2000
Постоянная момента, Н·м/А 1,72 1,76 1,92 2,05 2,08
Момент инерции ротора, кг·м2*10-4 без тормоза 6,70 30,3 48,4 79,1 101
с тормозом 7,99 31,4 49,2 84,4 107
Номинальная скорость преобразования мощности, кВт/с без тормоза 110 120 170 233 325
с тормозом 92,4 116 167 219 307
Допустимая радиальная нагрузка, N 686 1176 1470 1764
Допустимая осевая нагрузка, N 196 490 588
Масса, кг без тормоза 6,7 14 20 29,4 36,4
с тормозом 8,2 17,5 23,5 33,3 40,4
Характеристики тормоза
Номинальное напряжение, В 24±10%
Момент инерции тормоза, кг·м2*10-4 1,35 4,7
Потребляемая мощность, Вт 19 31 34
Потребляемый ток, А 0,79±10% 1,3±10% 1,4±10%
Время установления удерживающего момента, мс 100 80 150
Время размыкания, мс 50 25 50


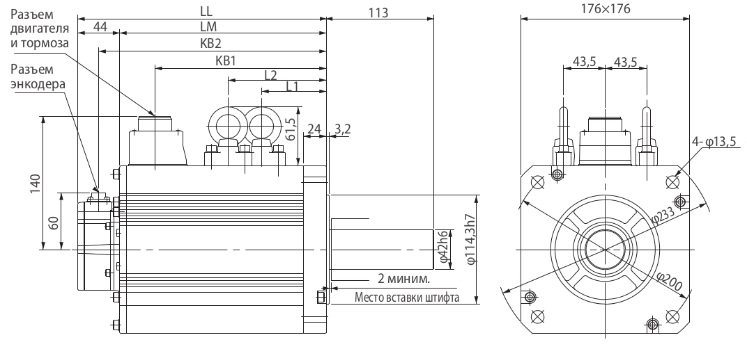
Конструктивные размеры

Размеры, мм K90010 K2K010 K3K010
LC 130 176
LL без тормоза 155,5 163,5 209,5
с тормозом 180,5 188,5 234,5
LM без тормоза 111,5 119,5 165,5
с тормозом 136,5 144,5 190,5

 

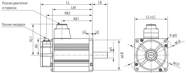
Конструктивные размеры

Размеры, мм K4K510
LL без тормоза 266
с тормозом 291
LM без тормоза 222
с тормозом 247

 

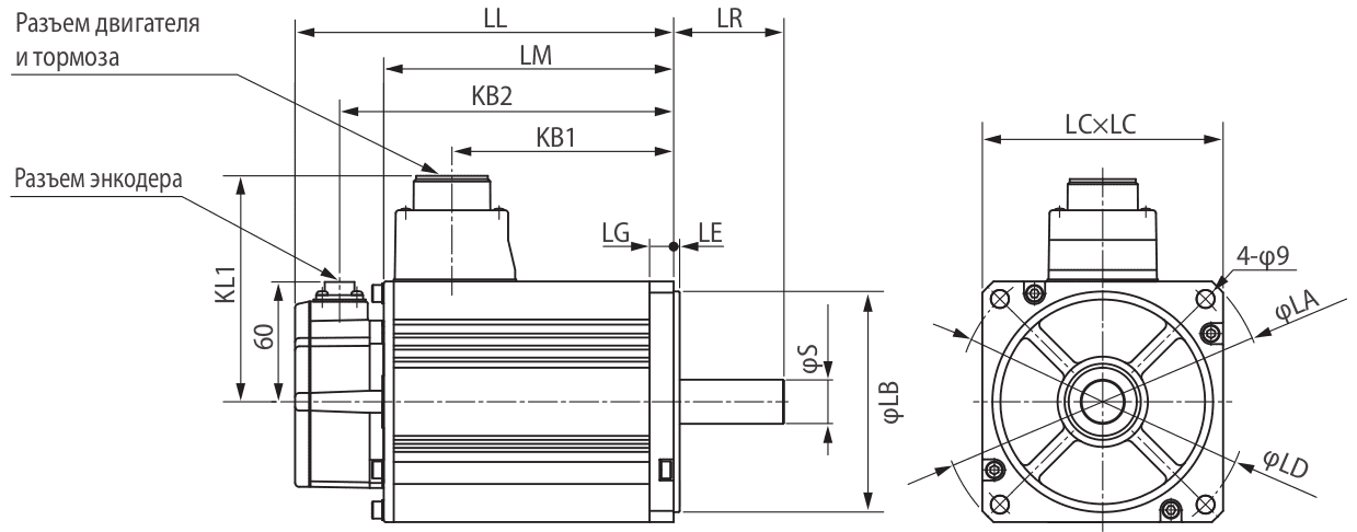
Конструктивные размеры

Размеры, мм K6K010
LL без тормоза 312
с тормозом 337
LM без тормоза 268
с тормозом 293

Для заказов на сумму более 50 000 руб. доставка включена в стоимость. 

В других случаях рассчитывается исходя из веса отправления и региона доставки.

Возможна доставка любой удобной для заказчика ТК

Сроки доставки от 1 до 3 дней по Центральному региону

По умолчанию мы работаем с двумя курьерскими компаниями:

Major — российская компания, занимающаяся продажей автомобилей и перевозками грузов. Крупнейший, наряду с «Рольфом», автодилер страны.

DPDgroup — международная служба экспресс-доставки. В среднем ежедневно доставляет более 5 миллионов посылок. Работает под торговой марками DPD.

Это наши проверенные партнеры. Однако если вы предпочитаете работать с другой курьерской службой, у нас нет ограничений. Просто сообщите нам об этом. Мы согласуем все условия и отправим заказ с полным комплектом сопутствующей документации.

Как оплатить?

Оплата принимается по безналичному расчету. После согласования заказа мы выставляем счет на оплату. Заказ считается оплаченным после поступления суммы заказа на расчетный счет ООО «Эффективное производство».

Как получить?

География доставки — вся Россия. При перевозке грузы подлежат страхованию. Обычно доставка входит в стоимость продукции.

Схема моторов K90010 / K2K010/ K3K010

Схема моторов K90010 / K2K010/ K3K010

Схема мотора K4K510

Схема мотора K4K510

Схема мотора K6K010

Схема мотора K6K010

Приобретая продукцию у нас, вы можете быть уверены, что получаете оригинальное сертифицированное оборудование, комплектующие и оснастку.

На весь представленный ассортимент распространяется гарантия завода-изготовителя. Для каждого конкретного изделия производитель устанавливает определенный гарантийный срок. Обычно он составляет 12-36 месяцев.

Согласно п. 1 ст. 471 Гражданского кодекса РФ гарантийный срок на товар исчисляется с момента фактической передачи его покупателю.

При наступлении гарантийного случая и отсутствии следов некорректной эксплуатации, осуществляется замена неисправного оборудования в соответствии с Законом о защите прав потребителей.

Если утрата функциональности изделия связана с механическими повреждениями, попытками модификации или ремонта, нецелесообразным использованием, то компания ООО «Эффективное производство» не несет за это ответственности, а действие гарантийных обязательств прекращается.

Иногда мы сталкиваемся с ситуацией, когда подлинные запчасти работают некорректно, т.к. нарушена технология их установки. В таком случае наши инженеры удаленно помогают клиентам наладить эксплуатацию.

Вы ранее смотрели